Каталог
Каталог Написать в WhatsApp
Мотоэкипировка

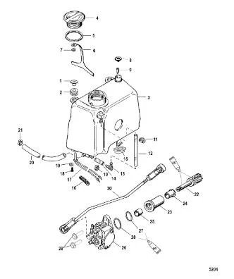
Компоненты впрыска масла 2-х тактного ПЛМ MERCURY 40 M Серийный номер от 1B000001 и выше

Компоненты впрыска масла 2-х тактного ПЛМ MERCURY 40 M Серийный номер от 1B000001 и выше в Москве: актуальный каталог, цены, фото, описание. Купите компоненты впрыска масла 2-х тактного плм mercury 40 m серийный номер от 1b000001 и выше в кредит – оформите заявку онлайн за 1 минуту!

Оригинальные запчасти

Артикул НАИМЕНОВАНИЕ Кол-во деталей в узле Примечание Наличие Цена Аналоги Фото
1 822003 Втулка (BUSHING)

Под заказ

2

Под заказ

уточнить

Купить
2 822002 Втулка (GROMMET)

Под заказ

2

Под заказ

уточнить

Купить
3 822514A2 Маслянный бачок (TANK ASSY-OIL)

Под заказ

1

Под заказ

уточнить

Купить
4 828765A1 Крышка (CAP ASSY)

Под заказ

1

Под заказ

уточнить

Купить
5 828766 Прокладка (GASKET)

Под заказ

1

Под заказ

уточнить

Купить
6 821285 Гайка (NUT-PUSH)

Под заказ

1

Под заказ

уточнить

Купить
7 19299A1 Фиксатор (VENT ASSY)

Под заказ

1

Под заказ

уточнить

Купить
8 64871 Клапан (VALVE-CHECK)

Под заказ

1

Под заказ

уточнить

Купить
9 814200 CLAMP, Use With Reference Number 25

Под заказ

2

Под заказ

уточнить

Купить
10 9004934 TUBING, (14.50 Inches Bulk), Use With Reference Number 25

Под заказ

1

Под заказ

уточнить

Купить
11 826083 ELBOW

Под заказ

1

Под заказ

уточнить

Купить
12 82381455 TUBING (11 IN.)

Под заказ

1

Под заказ

уточнить

Купить
13 823770001 GROMMET

Под заказ

1

Под заказ

уточнить

Купить
14 826084 SPACER

Под заказ

1

Под заказ

уточнить

Купить
15 12886A6 Датчик уровня масла (SWITCH ASSY)

Под заказ

1

Под заказ

уточнить

Купить
16 58376 Болт (SCREW)

Под заказ

1

Под заказ

уточнить

Купить
17 72761 Шайба (WASHER, WIRING HARNESS CLAMP SCREW)

Под заказ

1

Под заказ

уточнить

Купить
18 82381335 Шланг (TUBING, (15.00 Inches Bulk))

Под заказ

1

Под заказ

уточнить

Купить
19 826143 Шестерня масляного насоса (GEAR-DRIVEN)

Под заказ

1

Под заказ

уточнить

Купить
20 19278A2 Втулка штока привода маслонасоса(BEARING ASSEMBLY)

Под заказ

1

Под заказ

уточнить

Купить
21 17597 Втулка (BUSHING)

Под заказ

1

Под заказ

уточнить

Купить
22 17596 Втулка (JOURNAL BUSHING)

Под заказ

1

Под заказ

уточнить

Купить
23 818902A2 OIL INJECTION PUMP

Под заказ

1

Под заказ

уточнить

Купить
24 36390 Резиновое кольцо (O RING)

Под заказ

1

Под заказ

уточнить

Купить
25 62705 Уплотнительное кольцо (O RING @2)

Под заказ

1

Под заказ

уточнить

Купить
26 40011108 Болт (SCREW)

Под заказ

2

Под заказ

уточнить

Купить
27 826581T01 Тяга (LINK)

Под заказ

1

Под заказ

уточнить

Купить
28 822420A94 Набор прокладок 30/40 дв. блок (GASKET SET)

Под заказ

1

Под заказ

уточнить

Купить

Нулевая цена не означает отсутствие товара. Оформите заказ, и менеджер сообщит вам цену и наличие товара, предварительно запросив их у поставщика

Главная Магазины
Корзина0
Профиль