Мы используем cookie для наилучшего представления нашего сайта. Подробнее об этом в Политике конфиденциальности.
Ок

Сергиев Посад

Ваш город:
Сергиев Посад (Московская область)?
Нет
Да
Каталог
Каталог Написать в WhatsApp
Мотоэкипировка

Корпус коробки передач, карданный вал 2.33:1 0T622485/ 0P222545 и выше 2-Х ТАКТНОГО ПЛМ MERCURY 60 Серийный номер от 0P017000 до 0P325499

Корпус коробки передач, карданный вал 2.33:1 0T622485/ 0P222545 и выше 2-Х ТАКТНОГО ПЛМ MERCURY 60 Серийный номер от 0P017000 до 0P325499 в Москве: актуальный каталог, цены, фото, описание. Купите корпус коробки передач, карданный вал 2.33:1 0t622485/ 0p222545 и выше 2-х тактного плм mercury 60 серийный номер от 0p017000 до 0p325499 в кредит – оформите заявку онлайн за 1 минуту!

Оригинальные запчасти

Артикул НАИМЕНОВАНИЕ Кол-во деталей в узле Примечание Наличие Цена Аналоги Фото
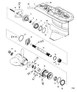
1 9011G92 GEAR HOUSING (Complete)

Под заказ

1

Под заказ

уточнить

Купить
2 9011G94 GEAR HOUSING (Complete)

Под заказ

1

Под заказ

уточнить

Купить
3 9011G59 Корпус редуктора (GEAR HOUSING ASSEMBLY, Basic)

Под заказ

1

Под заказ

уточнить

Купить
4 30894A1 Роликовый подшипник (BEARING SET)

Под заказ

1

Под заказ

уточнить

Купить
5 882813A3 Шестерня переднего хода (GEAR KIT-FORWARD)

Под заказ

1

Под заказ

уточнить

Купить
6 30895T Подшипник (BEARING)

Под заказ

1

Под заказ

уточнить

Купить
7 856823 Кольцо (RING, Retaining)

Под заказ

1

Под заказ

уточнить

Купить
8 850315A1 Копир кулачка (FOLLOWER KIT-CAM)

Под заказ

1

Под заказ

уточнить

Купить
9 44530 Шарик (BALL)

Под заказ

3

Под заказ

уточнить

Купить
10 850327 SPRING

Под заказ

1

Под заказ

уточнить

Купить
11 8M0100263 PIN @3

Под заказ

1

Под заказ

уточнить

Купить
12 30893 Пружина (SPRING @2)

Под заказ

1

Под заказ

уточнить

Купить
13 850048T *Муфта (CLUTCH)

Под заказ

1

Под заказ

уточнить

Купить
14 8M0140445 Гребной вал (PROP SHAFT)

Под заказ

1

Под заказ

уточнить

Купить
15 882814T Шестерня з.х. (GEAR-REVERSE)

Под заказ

1

Под заказ

уточнить

Купить
16 12596T2 Корпус подшипника (CARRIER ASSY-BRG)

Под заказ

1

Под заказ

уточнить

Купить
17 861844 Уплотнительное кольцо (O RING)

Под заказ

1

Под заказ

уточнить

Купить
18 30956T Подшипник (BEARING)

Под заказ

1

Под заказ

уточнить

Купить
19 70080 Сальник (SEAL)

Под заказ

1

Под заказ

уточнить

Купить
20 70081 Сальник (SEAL)

Под заказ

1

Под заказ

уточнить

Купить
21 12578T Подшипник роликовый (BEARING)

Под заказ

1

Под заказ

уточнить

Купить
22 12577 Шайба (WASHER)

Под заказ

1

Под заказ

уточнить

Купить
23 12576 Шарикоподшипник (BEARING)

Под заказ

1

Под заказ

уточнить

Купить
24 8M0034456 Шпилька M8x1.25x48 (STUD)

Под заказ

2

Под заказ

уточнить

Купить
25 855941 Шайба (WASHER)

Под заказ

2

Под заказ

уточнить

Купить
26 401378 NUT, (M8)

Под заказ

2

Под заказ

уточнить

Купить
27 44491A1 Регулировочные кольца (shim set)

Под заказ

1

Под заказ

уточнить

Купить
28 8227731 Вставка (INSERT)

Под заказ

2

Под заказ

уточнить

Купить
29 13191Q01 Упорная шайба (THRUSTWASHER@2)

Под заказ

1

Под заказ

уточнить

Купить
30 52707Q1 Гайка крепления гребного винта (PROP NUT KIT@2)

Под заказ

1

Под заказ

уточнить

Купить
31 816629Q Шайба (TAB WASHER)

Под заказ

1

Под заказ

уточнить

Купить
32 43035A4 Набор сальников (SEAL KIT)

Под заказ

1

Под заказ

уточнить

Купить

Нулевая цена не означает отсутствие товара. Оформите заказ, и менеджер сообщит вам цену и наличие товара, предварительно запросив их у поставщика

Главная Магазины
Корзина0
Профиль